建立养殖污水为原料的水肥一体信息化施肥体系
2026.01.21
一、养殖污水肥料化的迫切性和可行性
养殖污水主要包括养殖场沼气池排出的沼液和不建沼气池而以“水泡粪”形式产生的粪液。前者浓度较低,含水率大于99%,后者浓度较高含水率约为97~98%。
从旧的环保观念看,上述两种养殖污水COD(化学耗氧量)太高,必须以大量“曝气”即强氧化的方法把水液中的碳和氨氧化成气体(CO2和NO2)排掉。使液体里的COD降到“标准”以下成为对环保无害的水体排掉。但事实证明:这种处理技术是行不通的。因为沼液处理成本是每吨7~10元。而粪液必须先经固液分离后再曝气,两项处理成本之和每吨共需投入20元以上,而这些投入是零回报的,养殖场无力长期执行。无力执行的后果就是假执行,真偷排。一个万头猪场平均每日排污水约300吨,一个养殖大县(存栏超过50万头)每年排出污水500多万吨。年复一年,哪个农业县的生态环境能承受如此重压?于是局部生态灾难就发生了!
我们团队致力于养殖污水无害化肥料化研究,获得了成功转化的整套技术,并破解了其转化的真相:
♦沼(粪)液危害土壤和农作物的原因是缺氧和DOC(大分子水溶有机碳),只要解决了这两个问题,它就是宝贵的肥料资源。
♦把DOC分解为AOC(生物可利用碳),沼(粪)液就实现肥料化。
♦要低成本快速分解DOC又能尽量多获得AOC,最佳方案是微生物微氧分解。无氧出不来AOC,氧浓 AOC又被氧化成CO2排掉。
♦执行微氧分解工艺,顺带也就解决了液体缺氧问题。
以上认知实际上就是沼(粪)液肥料化的理论根据。
为什么强调分解要“快速”?因为非快速无法应对每个规模养殖场和生物质能源企业每日成百上千吨污水排放。在此,分解菌剂就是关键因素。我们开发的有机碳菌分解剂,是碳菌合璧1+1>2,使菌在微氧条件下仍具备强大的战斗力,在12~24天内完成对一批有机污水的分解,为沼(粪)液的肥料化打开了通道。
二、沼(粪)液肥相关的实验数据和技术标准

在大量实验数据的支持下,我们推动制定了沼(粪)肥的团体标准,为发展养殖污水为原料的液态有机肥料工业奠定了基础。

三、沼(粪)液肥的潜力和产业规模
首先回顾一下我们的农业先人,他们千百年来都忙于几件事:一是耕犁松土,二是积肥施肥,三是春种秋收。积肥主要是两类:一类是固态的有机肥,以畜禽粪便加秸秆塘泥等原料堆沤腐熟,简称堆肥。另一类是厕肥,将家庭排泄物和一些畜禽粪便收集到粪坑里泡制成液态有机肥。这后一类几乎占了农家肥的半壁江山。
现在农村堆肥基本上清零,厕肥更是绝迹了。家庭的人类排泄物被一冲了之去了污水处理厂,畜禽养殖的污水被花巨资“处理—达标—排放”。这些断传统违天道的“现代化”操作,造成土壤贫瘠化和生态环境恶化是有目共睹的,该反思该刹车了!
以现代“碳菌”合壁微氧分解技术将沼(粪)液转化为液态有机肥下地,是对传统厕肥的传承和提升,它保留了厕肥的低成本高肥效,又在卫生和安全方面实现了跨越。妥妥的是新质生产力。
从表1和表2可见:沼液肥AOC的含量约为0.15%,普通合格有机肥AOC含量约1%,故沼液肥的碳养分是等量普通有机肥的15%。普通有机肥价值分为三部分:腐殖质约占30%,氮磷钾养分约占4%,碳养分约占1%。每吨有机肥前两部分价值总共约为600元,后一部分价值为200元,由此推算出每吨沼液肥的肥料价值就是30元。
而粪液肥AOC含量约1.1%,相当于普通有机肥碳养分的含量,即其肥料价值是每吨200元!这个价值出乎所有人之所料。
我曾经写过一篇短文:《消灭沼气池》,就是因为推算出粪液肥的肥效是沼液肥的好几倍。
我国规模养殖场和生物质能源企业每年排放的沼(粪)液数以百亿吨计。目前这些宝贵资源基本上都没有被利用。先不说由此对生态环境和碳排放造成的危害,仅算算经济上的损失,就让人震惊:
每吨沼液肥平均价值30元。如果每年生产50亿吨,就创造1500亿元肥料价值;每吨粪液肥平均价值200 元,如果每年生产20亿吨,就创造4000亿元肥料价值。经查询资料推断,我国2024年固态有机肥产量大约是 8亿吨,按照市价平均每吨800元,也即全年固态有机肥产值约6400亿元。上述仅按每年50亿吨沼肥和20亿吨粪液肥统计,产值就达5500亿元,相当于现有有机肥产值的86%,这是一个新产生的庞大肥料工业!放弃沼(粪)液肥料化,就是丢弃这个庞大的产业,每年直接经济损失是5千多亿元,而附带经济损失还有更大的两笔:一笔是旧处理设施的巨大投资和几十亿吨污水的处理费,另一笔是这个新肥种每年能带来新增的几万亿农业产值被放弃了。
四、沼(粪)液肥料化的难点及其破解之道
这么一个前景极好的产业,为什么发展如此步履维艰呢?难点在哪?
难点一,污水产生单位只关心自己的主业(卖猪,卖沼气或发电),他们的企业宗旨压根就没有废弃物资源化利用这一项。
难点二,运营难:一个规模养殖场每日产生几百吨污水,即使都转化为液体肥料,用传统的营销方式必须用包装去市场再到用户,就是豆腐盘成肉价钱,性价比通不过。也就是说它必须从产地直通用户,这是一种崭新的业态,没人干过。
难点三,现在的农民基本上没经历过老农民的“厕肥”制造和应用,不懂沼(粪)液肥的性质和效用,他们习惯化肥,不容易主动接纳这种肥料。
要破解这些难点,扶植起这个“有机营养”半边天的新肥业,必须解决三个问题:
1、沼(粪)液肥的定位
沼液肥含水率大于99%,粪液肥含水率大于97%。都富含AOC,后者AOC含量是前者的好几倍,正是水肥一体化施肥的理想“底料”。水肥一体化要达到AOC/(N+P2O5+K2O)≈1/4,“底料”所含的无机养分显然不够,还必须加入适量的化肥。具体加多少,必须实测底料的氮磷钾养分含量,并结合目标农作物的需肥要求,把化肥投入后圈5所示配肥站边的“配肥桶”中,溶解后注入配肥站大池(罐)中。
这样既把沼(粪)肥中的无机养分利用起来,又使混合肥液成了科学的有机无机“阴阳平衡”水肥一体化优质肥料。在这种肥料中化肥利用率超过70%。
至今为止,几乎所有“水肥一体化”系统都是化肥独家称霸,农作物所需的碳养分全靠空气中的二氧化碳。有了沼(粪)肥的加入就使植物吸收碳实现双通道,农作物自然更优质高产。
在实际操作中,沼液肥加了化肥液之后可以直接施用,而粪液肥太浓须加入2~3倍水后才能施用。一般每亩每次使用配制好的肥液4~5吨。
2、构建“三国四方”推广运营机制
“三国”指三个实体:养殖场(生物质能源企业),他们只排污水无心处理和运营;农场主,他们只消纳使用沼(粪)液肥,无法直接获得这些肥料。所以他们之间必须有一个第三方处理和运营实体。三个实体称“三国”。光有这三个实体还不够,还有不少非政府出面不能解决的问题,例如监督,价格,设施投资补贴,对农户的宣传示范,直至后面提到的“配肥站”用地等等,因此当地政府的牵线搭台,制定规则,推动实施,对这一新生业态的建立和顺畅运营非常关键。这就形成了类似当年印度支那三国在中国指导下谈和平协议那样的“三国四方”。
以下是“三国四方”示意图:

图 4 “三国四方”机制
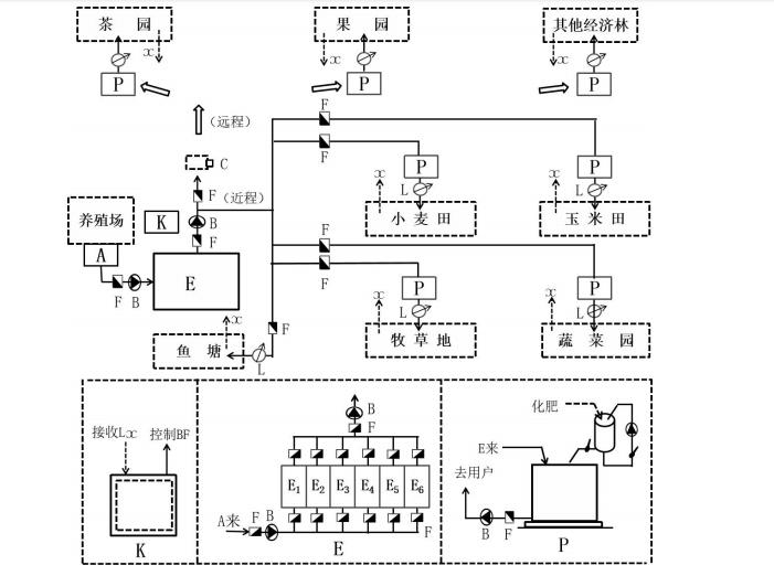
3、建立有机无机水肥一体信息化施肥系统
这个系统的功能是:
造肥—利用有机污水转化为合格的有机液体肥;
运肥—把液体肥运输到配肥站大池(罐);
配肥—以沼(粪)液肥为基础配制适合农户的有机无机液体肥;
售肥—把配制好的液体肥输到用户指定的位置,并通过流量表的信息向用户收取肥料款。
这个系统的组成:
K —主控室,通过信息化系统控制各泵和电磁阀的开与关;
B —污水泵;
F —电磁阀;
E —分解池,一般建六个,对沼(粪)液进行分解,各池并联。轮流进出,并保证每批料被分解20天以上;
P —配肥站,承接E输送来的沼(粪)液肥,并利用配肥桶加入化肥;
L —用户消纳肥液的计量表;
C —向运程配肥站运沼(粪)液肥的罐车;
—用户向主控室反馈的信息。
系统布局见图5:


图5有机无机水肥一体信息化施肥系统图
五、结束语
通过建立以“分解池—配肥站”为主轴的系统,一举解决了两大问题:一是沼(粪)液的无害化肥料化利用;二是让农户施肥不必再用商品有机肥和化肥。在此基础上,凡是系统覆盖的农田,便可以逐步实现信息化施肥。
这不是简单的一项技术创新,而是要诞生一个庞大的有机无机水肥一体化产业。它将撬动整个农业板块,推动我国加快实现高效生态农业的美好愿景。

